Energy efficiency is achieve with excellence in reactive compensation
Used to fix problems with power factor in segments with little or no harmonic distortion of current DHTi [%] or voltage DHTv [%]. The capacitor bank has a low implementation cost compared to filters. If there are harmonic distortions in the system the capacitor bank can amplify the harmonic distortions and as a consequence it causes over voltages and even the collapse of the equipment itself.
Conhecido também por bloqueador de harmônicas, são normalmente empregados em segmentos industriais com alta concentração de cargas não lineares. O bloqueador de harmônicas é utilizado para corrigir o fator de potência, a não amplificação das distorções harmônicas e preserva a vida útil de seus capacitores. Este equipamento não reduz distorção harmônica, pois possui um caminho de alta impedância para as distorções.
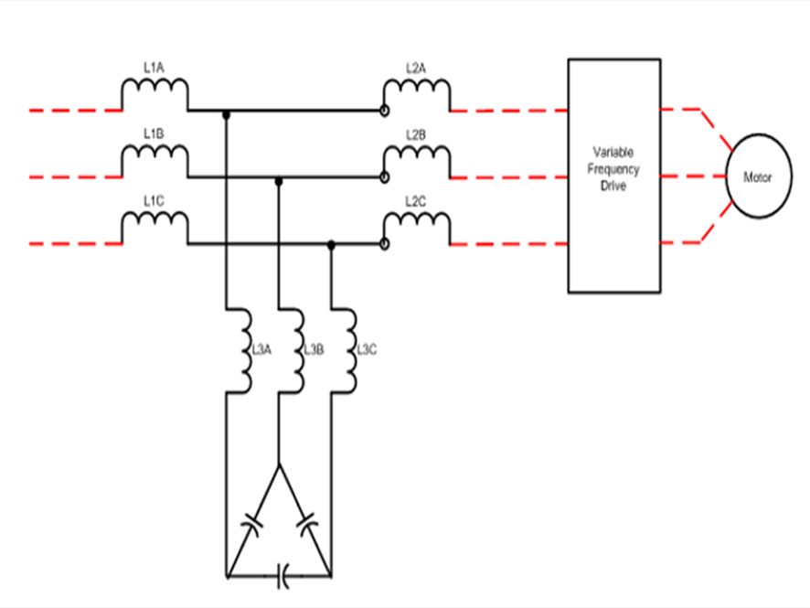
É amplamente utilizado em segmentos geradores de harmônicas (drives, ups, computadores, fornos, etc...). Suas principais funções são: reduzir distorções harmônicas de corrente e tensão a patamares aceitáveis e corrigir fator de potência. Após a instalação do filtro o usuário terá uma significativa melhora na estabilização da tensão e redução de queima de equipamentos. Este equipamento possui um caminho de baixa impedância para a harmônica sintonizada em consequência reduz o DHTi % e DHTv %.
Os filtros passa-baixa são filtros passivos extremamente agressivo para a mitigação de harmônicas e correção FP. São instalados em série com a carga não linear, indicado para sistemas que possuam grandes quantidades de inversores de frequência de 6 pulsos, inversores para carga solar, retificadores, UPS, sistemas de bombas, sistema de ar condicionado, etc... Equipamento de fácil instalação, não gera ressonância indesejada no sistema e harmônicas de outra parte da instalação não são atraídas pelo filtro, preservando sua vida útil.
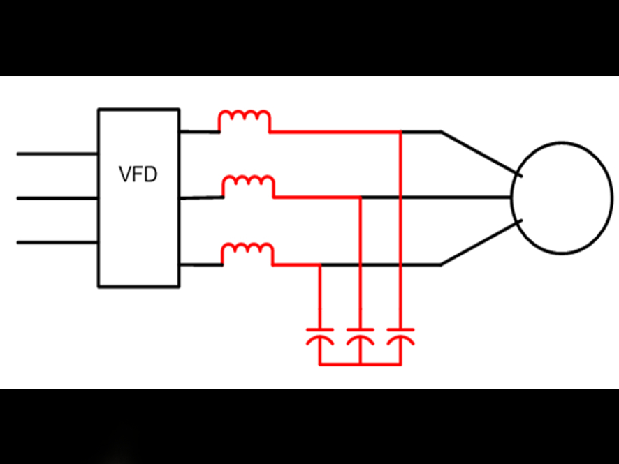
Os filtros de onda senoidal são empregados para racionalizar a vida útil de motores que possuam sistemas “drive e motor”. Estes filtros possuem a capacidade de reduzir os efeitos da modulação PWM para motores que possuam uma distância superior a 60 m do drive. Evitando aquecimento demasiado e vibrações nos motores. Resultado superiores aos filtros dv/dt.